Động cơ servo thường gắn liền với máy móc nên liên quan tới thông số cơ khí tương đối nhiều. Chính vì vậy trong bài viết này mình sẽ giới thiệu với các bạn một số thông số liên quan tới cơ khí của motor servo.
Thông số cơ khí của động cơ servo liên quan tới thiết kế cơ khí
Khi chọn động cơ servo cho việc thiết kế cơ khí thì chúng ta cần quan tâm tới hai thông số quan trọng như sau. Một là tốc độ định mức của motor để có thể tính toán tới đáp ứng về thời gian của cơ cấu mà chúng ta thiết kế như tốc độ trượt của thanh ray hay tốc độ cắt của dao.
Hai là momen định mức của động cơ giúp chúng ta tính toán khả năng nâng hay chịu lực của cơ cấu. Lực của motor servo có thể giúp ta tính được khả năng nâng hạ hoặc chịu trọng lực bao nhiêu của vitme.
Khi tính toán thông số cho motor các bạn cần phải biết rằng momen và tốc độ thường tỷ lệ nghịch với nhau. Cùng một công suất nếu động cơ có tốc độ càng lớn thì momen sẽ càng nhỏ.
Ví dụ như motor có tốc độ 3000v sẽ có momen nhỏ hơn 2 lần so với động cơ có tốc độ 1500v ở cùng công suất.
Một lưu ý nhỏ là khi tính thông số lực của cơ cấu ngoài thông số lực của servo thì cần quan tâm tới thông số lực của thiết bị liên quan như vitme đai truyền hay nhông.
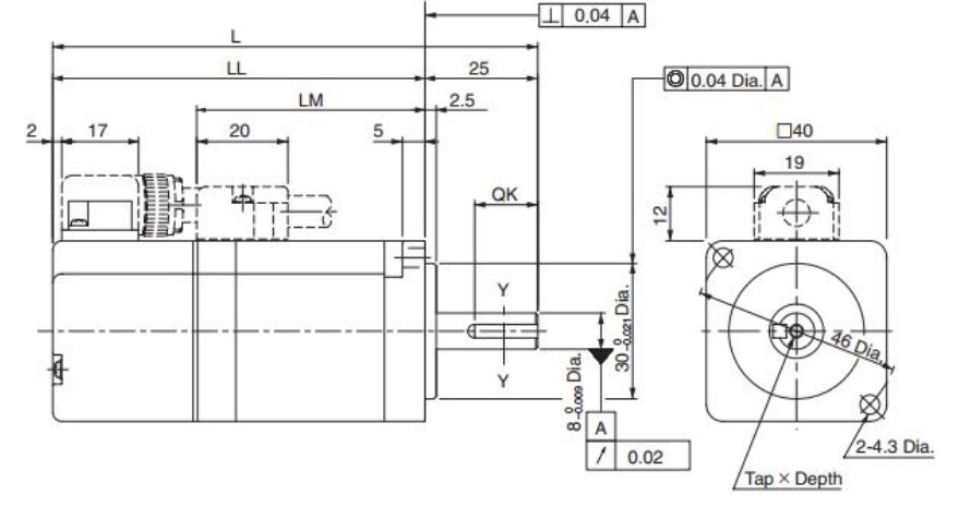
Thông số cơ khí của motor servo liên quan tới lắp đặt
Khi đã chọn được thông số về tốc độ và momen định mức cho động cơ servo thì chúng ta cần quan tâm tới việc lắp đặt nó lên máy. Những thông số cơ bản thường được quan tâm bao gồm 3 thông số chính. Đầu tiên là đường kính của cốt để tính toán liên quan tới việc chọn hộp số giảm tốc hoặc chế tạo nhông, puly.
Thứ hai là đường kính mặt bính của motor servo để tính toán khả năng gá lắp motor lên máy. Thông số cuối cùng đó chính là chiều dài của motor, đối với một số loại máy không gian chật hẹp thì nên chung ta cần phải xem xét và chọn động cơ có kích thước phù hợp để gắn và không gian đó.
Như vậy là mình đã chia sẻ một số thông tin liên quan tới thông số cơ khí của motor servo. Nếu cần thêm hỗ trợ và tư vấn xin vui lòng liên hệ theo thông tin
Công ty TNHH điện và tự động hóa Hưng Long (Hung Long AE Co.,ltd)
Số 66, Ngõ 282 Kim Giang, Phường Đại Kim, Quận Hoàng Mai, Hà Nội
Mua bán, lắp đặt, cài đặt, sửa chửa Biến tần và các thiết bị tự động hóa
#banbientan.com